电机接触电流要求和检测。
内容简介:测量时电机的状态。接触电流应在电机热试验后进行测量。试验电源电压为电机最高额定电压的105%,试验电源频率为电机的工作频率。试验加压位置和测试方法。接触电流应在电机上易同时触及的金属零部件之间、电机上易触及的金属部件与地之间测量。
GB14711《中小型旋转电机安全通用要求》中规定,当人体或动物接触一个或多个装置的或设备的可触及零部件时,流过他们身体的电流为接触电流,也称之为泄漏电流。
电机应有良好的绝缘性能。在正常工作时,电机的接触电流或泄漏电流应不超过规定值。GB14711规定了中小型电机接触电流的限值及测定方法:GB12350规定了小功率电机泄漏电流的测定方法。
关于电子产品的接触电流
对于不同结构的电子产品,接触电流的测量也是有不同的要求,但总括来说接触电流可分为对地接触电流、表面对地接触电流以及表面间接触电流三种。
对地接触电流是由电源网络产生的漏电流穿过或跨过绝缘层并流入?;そ拥氐枷叩牡缌鳌?br />
表面对地接触电流是从在正常使用时操作者或患者可触及的外壳或外壳部件(应用部分除外),经外部导电连接而不是保护接地导线流入大地或外壳其它部分的电流。
表面间接触电流是在正?;蚴堑ヒ还收咸跫拢璞赣氲匚薰亓我饬降阒涞穆┑缌?,电流从设备的一部分流经人体后流入设备的另一部分。
中小型电机接触电流的测定试验
接触电流的限值。GB14711规定,电机在工作温度下的接触电流应≤3.5mA。
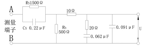
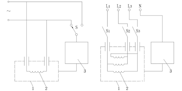
接触电流测量接线。单相和三相中小型交流电机测量接线分别见图1和图2所示。图中M电路如图3所示。
测量时电机的状态。接触电流应在电机热试验后进行测量。试验电源电压为电机最高额定电压的105%,试验电源频率为电机的工作频率。
试验加压位置和测试方法。接触电流应在电机上易同时触及的金属零部件之间、电机上易触及的金属部件与地之间测量。
(1)对单相电机,应将电机绕组两端依次转换至电源的不同极性
(用开关S),且分别在断开保护接地(用开关SE)和断开中线(用开关SN)的情况下,测取接触电流的最大值。
(2)对三相电机,应轮流断开其中的任一相(用开关S1、S2和S3),且断开?;そ拥兀ㄓ每豐E)的情况下,测取接触电流的最大值。
(3)测量时,电机应与地绝缘。测量电极为试棒,A端电极每次接入时,应先接到地,然后再依次接到每个可触及的其他零部件上进行测量。
小功率电机接触电流的测定试验
试验接线 试验接线见图4
条件具备时,该试验应在热试验后进行。试验时电机加1.06倍的额定电压,其运行方式由产品标准制定。电机应与地绝缘。
试验时,对于单相电机,应将开关S转换到电源的不同极性;对于三相电机,则应轮流断开S1、S2和S3三个开关中的一个,闭合另外两个,以测得最大的泄漏电流。
合格标准。电动机泄漏电流不应过大,其最高限值由被试电机的技术条件规定。
转载请说明来自西安泰富西玛电机(西安西玛电机集团股份有限公司)官方网站:http://www.qp8l.cn/zixun/weixiubaoyang204.html
电机应有良好的绝缘性能。在正常工作时,电机的接触电流或泄漏电流应不超过规定值。GB14711规定了中小型电机接触电流的限值及测定方法:GB12350规定了小功率电机泄漏电流的测定方法。
关于电子产品的接触电流
对于不同结构的电子产品,接触电流的测量也是有不同的要求,但总括来说接触电流可分为对地接触电流、表面对地接触电流以及表面间接触电流三种。
对地接触电流是由电源网络产生的漏电流穿过或跨过绝缘层并流入?;そ拥氐枷叩牡缌鳌?br />
表面对地接触电流是从在正常使用时操作者或患者可触及的外壳或外壳部件(应用部分除外),经外部导电连接而不是保护接地导线流入大地或外壳其它部分的电流。
表面间接触电流是在正?;蚴堑ヒ还收咸跫拢璞赣氲匚薰亓我饬降阒涞穆┑缌?,电流从设备的一部分流经人体后流入设备的另一部分。
中小型电机接触电流的测定试验
接触电流的限值。GB14711规定,电机在工作温度下的接触电流应≤3.5mA。
接触电流测量接线。单相和三相中小型交流电机测量接线分别见图1和图2所示。图中M电路如图3所示。
测量时电机的状态。接触电流应在电机热试验后进行测量。试验电源电压为电机最高额定电压的105%,试验电源频率为电机的工作频率。
试验加压位置和测试方法。接触电流应在电机上易同时触及的金属零部件之间、电机上易触及的金属部件与地之间测量。
(1)对单相电机,应将电机绕组两端依次转换至电源的不同极性
(用开关S),且分别在断开保护接地(用开关SE)和断开中线(用开关SN)的情况下,测取接触电流的最大值。
(2)对三相电机,应轮流断开其中的任一相(用开关S1、S2和S3),且断开?;そ拥兀ㄓ每豐E)的情况下,测取接触电流的最大值。
(3)测量时,电机应与地绝缘。测量电极为试棒,A端电极每次接入时,应先接到地,然后再依次接到每个可触及的其他零部件上进行测量。
小功率电机接触电流的测定试验
试验接线 试验接线见图4
条件具备时,该试验应在热试验后进行。试验时电机加1.06倍的额定电压,其运行方式由产品标准制定。电机应与地绝缘。
试验时,对于单相电机,应将开关S转换到电源的不同极性;对于三相电机,则应轮流断开S1、S2和S3三个开关中的一个,闭合另外两个,以测得最大的泄漏电流。
合格标准。电动机泄漏电流不应过大,其最高限值由被试电机的技术条件规定。
转载请说明来自西安泰富西玛电机(西安西玛电机集团股份有限公司)官方网站:http://www.qp8l.cn/zixun/weixiubaoyang204.html
以上内容由西安泰富西玛电机(西安西玛电机集团股份有限公司)网络编辑部收集整理发布,仅为传播更多电机行业相关资讯及电机相关知识,仅供网友、用户、及广大经销商参考之用,不代表西安泰富西玛电机同意或默认以上内容的正确性和有效性。读者根据本文内容所进行的任何商业行为,西安泰富西玛电机不承担任何连带责任。如果以上内容不实或侵犯了您的知识产权,请及时与我们联系,西安泰富西玛电机网络部将及时予以修正或删除相关信息。
- 上一篇: 大型电机轴承座的清洁与清洗。
- 下一篇: 高压电机轴磨损维修的详细流程
他们还浏览了...
- 2022-6-19高压电机轴磨损维修的详细流程
- 2022-6-4三相异步电动机安装步骤以及西玛电机的故障检查方法
- 2022-5-29西玛电机接线中最常见的几种错误
- 2022-5-8西安西玛电机频率和速度之间的数学关系
- 2022-5-8三相异步电动机的正确接线方法及故障分析
- 2018-5-15大型电机轴承座的清洁与清洗。
- 2018-5-14电机转矩转速的控制精度测试是如何实现的?
- 2018-5-14变频电机对地故障案例分析。
- 2018-5-14直流减速电机受潮后如何干燥?
- 2018-5-10电机为何要安装编码器?
行业资讯
电机风罩的工作原理及其用途。
高压电机轴磨损维修的详细流程
三相异步电动机安装步骤以及西玛电机的故障检查
西玛电机接线中最常见的几种错误
绿色发展可以帮助电机厂家解决利润问题
高效节能电机过热原因分析
需要更换高效节能的电机的必要性分析!
西安西玛电机频率和速度之间的数学关系
高压电机轴磨损维修的详细流程
三相异步电动机安装步骤以及西玛电机的故障检查
西玛电机接线中最常见的几种错误
绿色发展可以帮助电机厂家解决利润问题
高效节能电机过热原因分析
需要更换高效节能的电机的必要性分析!
西安西玛电机频率和速度之间的数学关系
西安西玛电机举办“迎国庆”员工趣味运动项目比
关于西安西玛电机的工作制,大家了解一下。
西安西玛电机工会庆祝3月8日的评选颁奖活动。
西安西玛电机向在抗击疫情前线的工作人员们致敬
西安西玛电机职工安全生产知识宣传教育工作全面
西安泰富西玛电机亮相第27届中国西部国际装备
西安泰富西玛电机将高效节能三相异步电动机作为
西安西玛电机始终坚持诚信销售的理念。
关于西安西玛电机的工作制,大家了解一下。
西安西玛电机工会庆祝3月8日的评选颁奖活动。
西安西玛电机向在抗击疫情前线的工作人员们致敬
西安西玛电机职工安全生产知识宣传教育工作全面
西安泰富西玛电机亮相第27届中国西部国际装备
西安泰富西玛电机将高效节能三相异步电动机作为
西安西玛电机始终坚持诚信销售的理念。
泰富西玛电机
配套电柜
电机配件
YKK系列高压三相异步电机西安泰富西玛YKK系列(H355-1000)高压三相异步电机可作驱动
Y2系列紧凑型高压异步电机西安泰富西玛?Y2系列(H355-560)6KV紧凑型高压异步电机可
YE3系列高效节能电机西安泰富西玛电机生产的YE3系列高效节能电机达到了国标二级能效标准,
Z4系列直流电机西安泰富西玛Z4系列直流电动机比Z2、Z3系列具有更大的优越性,它不
Z2系列小型直流电机西安泰富西玛Z2系列电机为一般工业用小型直流电机,其电动机适用于恒功
ZTP型铁路机车动车用直流辅助西安泰富西玛ZTP系列西玛电机应能满足铁路机车动车用直流辅助电机通用



西安西玛电机紧跟电机行业的发展趋势,了解电机市场动态,制定出西玛电机的发展规划,稳步前行。
随着国家节能减排的积极推行,新能源汽车产业快速增长及高效节能电机补贴政策的逐步落实,高效节能电机业将迎来爆发式的增长。
西玛电机售后维修业务有:轴料加工件、钢板切割、焊接件、高压机壳、冷却器、上下罩、高、低压交直流电机;国内、外电机的修理、维护和试验。
质量为本,用户至上”是我公司一贯宗旨?!俺闲?、贴心、倾心、西玛永远用心”的“三心”服务理念。
西安泰富西玛电机(西安西玛电机集团股份有限公司)是国内九大的电机供应商之一,产品包括各种高低压、交直流、高压同步电机等。


















