两种判定异步电动机绕组收尾端的方法。
内容简介:按“用交流电源和万用表判别异步电动机绕组的首尾端”方法判断出同一相绕组的两个线头。将万用表拨到最小的直流毫安档,并与另一绕组相接。在接通开关的瞬间,若万用表的指针正转(即向右偏转),则表明与万用表的“+”极相接的一端为此相绕组的尾端,如图a所示;若万用表的指针反转(即向左偏转),则表明与万 用表“+”极相接的一端为此相绕组的首端,如图b所示。
一、用交流电源和万用表判断绕组的首尾端
(1)用万用表判断同一相绕组的两个线头。用万用表的电阻档接6个线头中的任意两个,若阻值很大,则不是同一相绕组的两端;此时万用表的红表笔(或黑表笔)不动,另一支表笔依次接其他4个线头,若阻值很小,则表明此时两支表笔接的两个线头为同 一相绕组的两端。
同理,可测出另外两相绕组各自的线头。
可以把第一个绕组的两端编号为1、4,第2个绕组的两端编号为2、5,第三个绕组的两端编号为3、6。
(2)将第一个绕组的两端(1、4 )接万用表的交流电压档,将 另两个绕组的2、3端相接,即串联后接220V交流电,如图所示。指定2为首端,若读数为0V或几伏,如图a所示,则表明 串联的两个绕组是首首相接,即3为首端;若万用表的读数较大, 如图b所示,则为首尾相接,那么3为尾端。
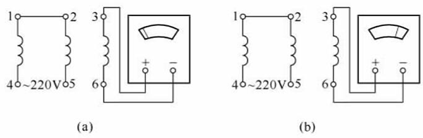
(2 )如图所示,将一相绕组的两端经过一个开关与两节干电池相接,并指定与电池正极相接的一端为绕组的首端(也可 指定为尾端,首尾是相对的,一旦指定一端为首端,则另一端就是尾端)。
(3)将万用表拨到最小的直流毫安档,并与另一绕组相接。
(4)在接通开关的瞬间,若万用表的指针正转(即向右偏转),则表明与万用表的“+”极相接的一端为此相绕组的尾端,如图a所示;若万用表的指针反转(即向左偏转),则表明与万 用表“+”极相接的一端为此相绕组的首端,如图b所示。
(5)同样的方法可以测出第三个绕组的首尾端。
转载请说明来自西安泰富西玛电机(西安西玛电机集团股份有限公司)官方网站:http://www.qp8l.cn/zixun/weixiubaoyang114.html
(1)用万用表判断同一相绕组的两个线头。用万用表的电阻档接6个线头中的任意两个,若阻值很大,则不是同一相绕组的两端;此时万用表的红表笔(或黑表笔)不动,另一支表笔依次接其他4个线头,若阻值很小,则表明此时两支表笔接的两个线头为同 一相绕组的两端。
同理,可测出另外两相绕组各自的线头。
可以把第一个绕组的两端编号为1、4,第2个绕组的两端编号为2、5,第三个绕组的两端编号为3、6。
(2)将第一个绕组的两端(1、4 )接万用表的交流电压档,将 另两个绕组的2、3端相接,即串联后接220V交流电,如图所示。指定2为首端,若读数为0V或几伏,如图a所示,则表明 串联的两个绕组是首首相接,即3为首端;若万用表的读数较大, 如图b所示,则为首尾相接,那么3为尾端。
用交流电源和万用表判断绕组的首位端(一)
(a)读数为0V或几伏;(b)读数较大
(3)同理,将3、6端接万用表的交流电压档,将1、2相接即将 第1、第2个绕组串联后接220V交流电,若读数为0V或几伏,如图a所示,则表明1为首端;若读数较大,如图b所示,则表明1为尾端。
用交流电源和万用表判断绕组的首位端(二)
(a)读数为0V或几伏;(b)读数较大
二、用万用表和直流电源判断绕组的首尾端
(1)按“用交流电源和万用表判别异步电动机绕组的首尾端”方法判断出同一相绕组的两个线头。(2 )如图所示,将一相绕组的两端经过一个开关与两节干电池相接,并指定与电池正极相接的一端为绕组的首端(也可 指定为尾端,首尾是相对的,一旦指定一端为首端,则另一端就是尾端)。
(3)将万用表拨到最小的直流毫安档,并与另一绕组相接。
(4)在接通开关的瞬间,若万用表的指针正转(即向右偏转),则表明与万用表的“+”极相接的一端为此相绕组的尾端,如图a所示;若万用表的指针反转(即向左偏转),则表明与万 用表“+”极相接的一端为此相绕组的首端,如图b所示。
(5)同样的方法可以测出第三个绕组的首尾端。
转载请说明来自西安泰富西玛电机(西安西玛电机集团股份有限公司)官方网站:http://www.qp8l.cn/zixun/weixiubaoyang114.html
以上内容由西安泰富西玛电机(西安西玛电机集团股份有限公司)网络编辑部收集整理发布,仅为传播更多电机行业相关资讯及电机相关知识,仅供网友、用户、及广大经销商参考之用,不代表西安泰富西玛电机同意或默认以上内容的正确性和有效性。读者根据本文内容所进行的任何商业行为,西安泰富西玛电机不承担任何连带责任。如果以上内容不实或侵犯了您的知识产权,请及时与我们联系,西安泰富西玛电机网络部将及时予以修正或删除相关信息。
- 上一篇: 电机受潮后如何处理?
- 下一篇: 高压电机轴磨损维修的详细流程
他们还浏览了...
- 2022-6-19高压电机轴磨损维修的详细流程
- 2022-6-4三相异步电动机安装步骤以及西玛电机的故障检查方法
- 2022-5-29西玛电机接线中最常见的几种错误
- 2022-5-8西安西玛电机频率和速度之间的数学关系
- 2022-5-8三相异步电动机的正确接线方法及故障分析
- 2018-3-7电机受潮后如何处理?
- 2018-3-4电动机皮带轮或联轴器怎么拆装?
- 2018-3-2电机该如何检查接线?
- 2018-3-1三相异步电动机绕组接错处理方法。
- 2018-2-27为什么高压电机维修时要观察温度的变化。
行业资讯
电机风罩的工作原理及其用途。
高压电机轴磨损维修的详细流程
三相异步电动机安装步骤以及西玛电机的故障检查
西玛电机接线中最常见的几种错误
绿色发展可以帮助电机厂家解决利润问题
高效节能电机过热原因分析
需要更换高效节能的电机的必要性分析!
西安西玛电机频率和速度之间的数学关系
高压电机轴磨损维修的详细流程
三相异步电动机安装步骤以及西玛电机的故障检查
西玛电机接线中最常见的几种错误
绿色发展可以帮助电机厂家解决利润问题
高效节能电机过热原因分析
需要更换高效节能的电机的必要性分析!
西安西玛电机频率和速度之间的数学关系
西安西玛电机举办“迎国庆”员工趣味运动项目比
关于西安西玛电机的工作制,大家了解一下。
西安西玛电机工会庆祝3月8日的评选颁奖活动。
西安西玛电机向在抗击疫情前线的工作人员们致敬
西安西玛电机职工安全生产知识宣传教育工作全面
西安泰富西玛电机亮相第27届中国西部国际装备
西安泰富西玛电机将高效节能三相异步电动机作为
西安西玛电机始终坚持诚信销售的理念。
关于西安西玛电机的工作制,大家了解一下。
西安西玛电机工会庆祝3月8日的评选颁奖活动。
西安西玛电机向在抗击疫情前线的工作人员们致敬
西安西玛电机职工安全生产知识宣传教育工作全面
西安泰富西玛电机亮相第27届中国西部国际装备
西安泰富西玛电机将高效节能三相异步电动机作为
西安西玛电机始终坚持诚信销售的理念。
泰富西玛电机
配套电柜
电机配件
YKK系列高压三相异步电机西安泰富西玛YKK系列(H355-1000)高压三相异步电机可作驱动
Y2系列紧凑型高压异步电机西安泰富西玛?Y2系列(H355-560)6KV紧凑型高压异步电机可
YE3系列高效节能电机西安泰富西玛电机生产的YE3系列高效节能电机达到了国标二级能效标准,
Z4系列直流电机西安泰富西玛Z4系列直流电动机比Z2、Z3系列具有更大的优越性,它不
Z2系列小型直流电机西安泰富西玛Z2系列电机为一般工业用小型直流电机,其电动机适用于恒功
ZTP型铁路机车动车用直流辅助西安泰富西玛ZTP系列西玛电机应能满足铁路机车动车用直流辅助电机通用



西安西玛电机紧跟电机行业的发展趋势,了解电机市场动态,制定出西玛电机的发展规划,稳步前行。
随着国家节能减排的积极推行,新能源汽车产业快速增长及高效节能电机补贴政策的逐步落实,高效节能电机业将迎来爆发式的增长。
西玛电机售后维修业务有:轴料加工件、钢板切割、焊接件、高压机壳、冷却器、上下罩、高、低压交直流电机;国内、外电机的修理、维护和试验。
质量为本,用户至上”是我公司一贯宗旨?!俺闲?、贴心、倾心、西玛永远用心”的“三心”服务理念。
西安泰富西玛电机(西安西玛电机集团股份有限公司)是国内九大的电机供应商之一,产品包括各种高低压、交直流、高压同步电机等。
















