直流电机短路试验方法。
内容简介:将被试直流电机按空载发电机方式运行,励磁电源的极性与前相同,用电压表测电枢两端电压的极性,然后停机将串励的正端与空载发电机电压的负端相连接,此时串励绕组即为反向接入。
由于直流电机在短路运行时的自励作用,将使电枢电流达到很大数值,可能使电机受到损害。为保证电机可靠运行及稳定的调节,必须对直流电机进行短路试验,下面本文根据国标规定的直流电机试验方法对直流电机短路试验进行介绍。
一具有串励绕组的电机在发电机方式下的短路试验方法直流电机接成他励,串励绕组反向接入(差复励)。用感应法检查其极性,在电机静止时,主极绕组中交替地接通、断开励磁电流(应不超过额定值的20%),用直流电压表在串励绕组两端测量其感应电势的极性(图1a),如在接通励磁电流瞬时串励绕组中的感应电势使电压表正向偏转,则主极绕组中接通电源正端和串励绕组中接电压表的正端为同极性。
将被试直流电机按空载发电机方式运行,励磁电源的极性与前相同,用电压表测电枢两端电压的极性,然后?;恼擞肟赵胤⒌缁缪沟母憾讼嗔?,此时串励绕组即为反向接入(图1b)。

图1 a(左)及图1b(右):具有串励绕组的电机在发电机方式下的短路方法电路原理图
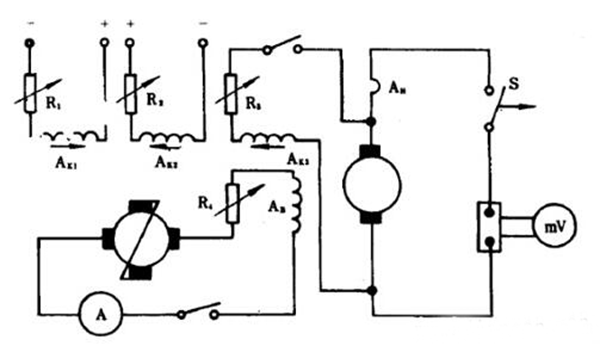
二在发电机方式下用功率扩大机控制励磁的短路试验方法

图2:发电机方式下用功率扩大机控制励磁的短路方法电路原理图
Ak1——控制绕组,扩大机的主励磁绕组;Ak2——控制绕组,由于扩大机剩磁电压较高,用以减小其剩磁;Ak3——控制绕组,用以抑制自励作用
在发电机方式下用功率扩大机控制励磁的短路方法试验原理图如上图2所示,按照图2所示负载试验时R4应短接。
如果没有功率扩大机,可用复励直流发电机代替,将其串励绕组代替Ak3,接成差复励,或者用两台串联(其电势方向相反)的励磁机供被试电机励磁(如图3所示)。

图3:两台串联励磁机励磁方式电路原理图
三临时缠绕串励绕组的短路试验方法
在主极上临时缠绕一个串励绕组,其极性仍用感应法确定(图4)。

图4:临时缠绕串励绕组的短路试验方法电路原理图
四将一半主极绕组反接的短路试验方法
将并励或串励(对串励电机)绕组分成相同的两组,一组他励(为防止剩磁电压使发电机短路时冲击电流太大,励磁方法应与剩磁方向相反),另一组则并联在电枢两端(图5)。

图5:将一半主极绕组反接的短路试验方法电路原理图
上述四种方法,不但在直流电机方式下短路时是必需的,而且在大功率的直流电机作负载试验时,为使其安全可靠地调节,稳定地运行,也是常采用的,第一种和第三种短路试验方法适用于回馈运行时的辅助电机,第二种短路试验方法适用于被试电机及辅助电机。
转载请说明来自西安泰富西玛电机(西安西玛电机集团股份有限公司)官方网站:http://www.qp8l.cn/zixun/dianjibaike261.html
以上内容由西安泰富西玛电机(西安西玛电机集团股份有限公司)网络编辑部收集整理发布,仅为传播更多电机行业相关资讯及电机相关知识,仅供网友、用户、及广大经销商参考之用,不代表西安泰富西玛电机同意或默认以上内容的正确性和有效性。读者根据本文内容所进行的任何商业行为,西安泰富西玛电机不承担任何连带责任。如果以上内容不实或侵犯了您的知识产权,请及时与我们联系,西安泰富西玛电机网络部将及时予以修正或删除相关信息。
- 上一篇: 直流电机电刷的主要失效机理。
- 下一篇: 电机风罩的工作原理及其用途。
他们还浏览了...
- 2022-7-3电机风罩的工作原理及其用途。
- 2022-5-14高效节能电机过热原因分析
- 2022-4-17多大功率的电机才需要降压启动?
- 2022-4-10如何看懂电机的型号?
- 2022-4-10电机维修期间应考虑什么?
- 2018-7-25直流电机电刷的主要失效机理。
- 2018-7-24线圈质量与高压电机寿命。
- 2018-7-24高压电机绕组槽部电晕的电腐蚀的起因及其防范。
- 2018-7-16电机制造工艺对电机质量的影响。
- 2018-7-13交流高压电机定子成型线圈试验知识。
行业资讯
电机风罩的工作原理及其用途。
高压电机轴磨损维修的详细流程
三相异步电动机安装步骤以及西玛电机的故障检查
西玛电机接线中最常见的几种错误
绿色发展可以帮助电机厂家解决利润问题
高效节能电机过热原因分析
需要更换高效节能的电机的必要性分析!
西安西玛电机频率和速度之间的数学关系
高压电机轴磨损维修的详细流程
三相异步电动机安装步骤以及西玛电机的故障检查
西玛电机接线中最常见的几种错误
绿色发展可以帮助电机厂家解决利润问题
高效节能电机过热原因分析
需要更换高效节能的电机的必要性分析!
西安西玛电机频率和速度之间的数学关系
西安西玛电机举办“迎国庆”员工趣味运动项目比
关于西安西玛电机的工作制,大家了解一下。
西安西玛电机工会庆祝3月8日的评选颁奖活动。
西安西玛电机向在抗击疫情前线的工作人员们致敬
西安西玛电机职工安全生产知识宣传教育工作全面
西安泰富西玛电机亮相第27届中国西部国际装备
西安泰富西玛电机将高效节能三相异步电动机作为
西安西玛电机始终坚持诚信销售的理念。
关于西安西玛电机的工作制,大家了解一下。
西安西玛电机工会庆祝3月8日的评选颁奖活动。
西安西玛电机向在抗击疫情前线的工作人员们致敬
西安西玛电机职工安全生产知识宣传教育工作全面
西安泰富西玛电机亮相第27届中国西部国际装备
西安泰富西玛电机将高效节能三相异步电动机作为
西安西玛电机始终坚持诚信销售的理念。
泰富西玛电机
配套电柜
电机配件
YKK系列高压三相异步电机西安泰富西玛YKK系列(H355-1000)高压三相异步电机可作驱动
Y2系列紧凑型高压异步电机西安泰富西玛?Y2系列(H355-560)6KV紧凑型高压异步电机可
YE3系列高效节能电机西安泰富西玛电机生产的YE3系列高效节能电机达到了国标二级能效标准,
Z4系列直流电机西安泰富西玛Z4系列直流电动机比Z2、Z3系列具有更大的优越性,它不
Z2系列小型直流电机西安泰富西玛Z2系列电机为一般工业用小型直流电机,其电动机适用于恒功
ZTP型铁路机车动车用直流辅助西安泰富西玛ZTP系列西玛电机应能满足铁路机车动车用直流辅助电机通用



西安西玛电机紧跟电机行业的发展趋势,了解电机市场动态,制定出西玛电机的发展规划,稳步前行。
随着国家节能减排的积极推行,新能源汽车产业快速增长及高效节能电机补贴政策的逐步落实,高效节能电机业将迎来爆发式的增长。
西玛电机售后维修业务有:轴料加工件、钢板切割、焊接件、高压机壳、冷却器、上下罩、高、低压交直流电机;国内、外电机的修理、维护和试验。
质量为本,用户至上”是我公司一贯宗旨?!俺闲?、贴心、倾心、西玛永远用心”的“三心”服务理念。
西安泰富西玛电机(西安西玛电机集团股份有限公司)是国内九大的电机供应商之一,产品包括各种高低压、交直流、高压同步电机等。














