电机耐电压试验注意事项。
内容简介:耐电压试验对电机绕组因积累效应会有不同程度的损伤,一般不进行重复试验。必须试验时,应降至首次试验电压的80%进行。为排除电机受潮等因素,在耐电压前应通过烘干及绝缘电阻检测手段确保电机处正常状态。
耐压试验的专业术语为介电强度试验(以下简称耐压试验),是电机产品的一个重要检查项目,对于大多数电机生产厂家会在电工半成品和检查试验两个环节进行该项目的检查,但因被测试对象状态的不一致性,两个环节所施加的电压峰值有所区别。
耐压试验因所加电压有交流和直流之分,所以又分成耐交流电压试验和耐直流电压试验两种,两者不能相互代替。对于中小型电机,如无特殊说明,可理解为只要求进行耐交流电压试验。限于篇幅限制,本文只对耐交流电压试验进行简述。
对新绕组首次试验
试验设备采用专用的耐电压试验仪,仪器的选择应按照实测电机的规格选择,试验方法、试验峰值及相关的注意事项包括:
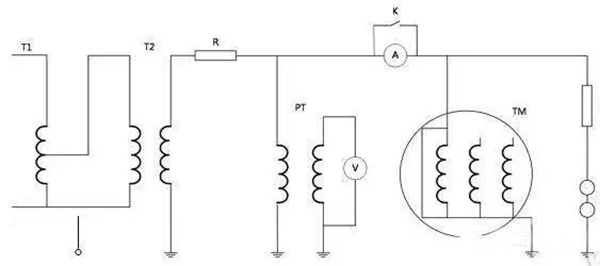
升压变压器的高压输出端接被试绕组,低压端接地。测试现场的接地线必须定期检查,预防因接地不良导致事故。
被测试电机外壳(或铁心)以及未加高压的绕组都应可靠接地。
试验加压时间分为1min和1s两种;对于电机成品按1min方法耐压试验,电压值按GB755具体的规定值。
对于电机定子和绕线电机转子半成品,应较整机产品有所增加,具体在产品的技术条件中有规定。
为防止被试绕组储存电荷放电击伤试验人员,试验完毕,要将被试绕组对地放电方可拆下接线,这一点对较大容量的电机尤为必要。
成品电机耐电压试验施压峰值
该规定不包括直流电机、同步电机、非永久短路的异步电机(或同步感应电机转子)、励磁电机及电机与装置的成套组合。
额定功率不超过1kW,且额定电压不超过100V的电机,试验压值按式(1)。
U试验=2UN+500…………………(1)
式(1)中:
U试验—电机耐压试加电压峰值,单位V;
UN—电机的额定电压,单位V。
额定功率小于10000kW的旋转电机,试验压值按式(2),但最低不能低于1500V;式中代号同式(1)。
U试验=2UN+1000…………………(2)
额定功率不小于10000kW,且额定电压不超过24kV的旋转电机,试验压值按式(3),式中代号同式(1)。
U试验=2UN+1000…………………(3)
额定功率不小于10000kW,且额定电压大于24kV的旋转电机,试验电压值按协议规定。
不同试验方法下施加电压的规定
1min方法试验时,加电压应从不超过试验电压的一半开始,然后均匀地或每步不超过全值的5%逐步升至全值,这一过程所用时间应不少于10s。加压达到lmin再逐渐将电压降至试验电压的一半以后才允许关断电源。该要求在电压测试仪中实现,电机厂家无需再进行设定。
1s的方法仅限于批量生产的额定功率≤200kW,额定电压UN≤lkV的电机;采用该方法试验时,试验电压要高于lmin方法规定值的20%,即1min试验方法施压值的1.2倍。
重复耐压试验及修理电机耐压要求
耐电压试验对电机绕组因积累效应会有不同程度的损伤,一般不进行重复试验。必须试验时,应降至首次试验电压的80%进行。为排除电机受潮等因素,在耐电压前应通过烘干及绝缘电阻检测手段确保电机处正常状态。
对于修理电机,若为全新绕组,则可以按新绕组测试施加电压,如果为局部修理绕组,施加电压按新绕组的75%执行。
转载请说明来自西安泰富西玛电机(西安西玛电机集团股份有限公司)官方网站:http://www.qp8l.cn/zixun/dianjibaike201.html
耐压试验因所加电压有交流和直流之分,所以又分成耐交流电压试验和耐直流电压试验两种,两者不能相互代替。对于中小型电机,如无特殊说明,可理解为只要求进行耐交流电压试验。限于篇幅限制,本文只对耐交流电压试验进行简述。
对新绕组首次试验
试验设备采用专用的耐电压试验仪,仪器的选择应按照实测电机的规格选择,试验方法、试验峰值及相关的注意事项包括:
升压变压器的高压输出端接被试绕组,低压端接地。测试现场的接地线必须定期检查,预防因接地不良导致事故。
被测试电机外壳(或铁心)以及未加高压的绕组都应可靠接地。
试验加压时间分为1min和1s两种;对于电机成品按1min方法耐压试验,电压值按GB755具体的规定值。
对于电机定子和绕线电机转子半成品,应较整机产品有所增加,具体在产品的技术条件中有规定。
为防止被试绕组储存电荷放电击伤试验人员,试验完毕,要将被试绕组对地放电方可拆下接线,这一点对较大容量的电机尤为必要。
成品电机耐电压试验施压峰值
该规定不包括直流电机、同步电机、非永久短路的异步电机(或同步感应电机转子)、励磁电机及电机与装置的成套组合。
额定功率不超过1kW,且额定电压不超过100V的电机,试验压值按式(1)。
U试验=2UN+500…………………(1)
式(1)中:
U试验—电机耐压试加电压峰值,单位V;
UN—电机的额定电压,单位V。
额定功率小于10000kW的旋转电机,试验压值按式(2),但最低不能低于1500V;式中代号同式(1)。
U试验=2UN+1000…………………(2)
额定功率不小于10000kW,且额定电压不超过24kV的旋转电机,试验压值按式(3),式中代号同式(1)。
U试验=2UN+1000…………………(3)
额定功率不小于10000kW,且额定电压大于24kV的旋转电机,试验电压值按协议规定。
不同试验方法下施加电压的规定
1min方法试验时,加电压应从不超过试验电压的一半开始,然后均匀地或每步不超过全值的5%逐步升至全值,这一过程所用时间应不少于10s。加压达到lmin再逐渐将电压降至试验电压的一半以后才允许关断电源。该要求在电压测试仪中实现,电机厂家无需再进行设定。
1s的方法仅限于批量生产的额定功率≤200kW,额定电压UN≤lkV的电机;采用该方法试验时,试验电压要高于lmin方法规定值的20%,即1min试验方法施压值的1.2倍。
重复耐压试验及修理电机耐压要求
耐电压试验对电机绕组因积累效应会有不同程度的损伤,一般不进行重复试验。必须试验时,应降至首次试验电压的80%进行。为排除电机受潮等因素,在耐电压前应通过烘干及绝缘电阻检测手段确保电机处正常状态。
对于修理电机,若为全新绕组,则可以按新绕组测试施加电压,如果为局部修理绕组,施加电压按新绕组的75%执行。
转载请说明来自西安泰富西玛电机(西安西玛电机集团股份有限公司)官方网站:http://www.qp8l.cn/zixun/dianjibaike201.html
以上内容由西安泰富西玛电机(西安西玛电机集团股份有限公司)网络编辑部收集整理发布,仅为传播更多电机行业相关资讯及电机相关知识,仅供网友、用户、及广大经销商参考之用,不代表西安泰富西玛电机同意或默认以上内容的正确性和有效性。读者根据本文内容所进行的任何商业行为,西安泰富西玛电机不承担任何连带责任。如果以上内容不实或侵犯了您的知识产权,请及时与我们联系,西安泰富西玛电机网络部将及时予以修正或删除相关信息。
- 上一篇: 各类电机位置编码器及接口电磁兼容。
- 下一篇: 电机风罩的工作原理及其用途。
他们还浏览了...
- 2022-7-3电机风罩的工作原理及其用途。
- 2022-5-14高效节能电机过热原因分析
- 2022-4-17多大功率的电机才需要降压启动?
- 2022-4-10如何看懂电机的型号?
- 2022-4-10电机维修期间应考虑什么?
- 2018-5-16各类电机位置编码器及接口电磁兼容。
- 2018-5-15异步电动机如何实现节能降耗。
- 2018-5-14电机对地绝缘和相间绝缘。
- 2018-5-11步进电机和异步电机在设计上的区别。
- 2018-5-9用于电机性能分析的三种图表。
行业资讯
电机风罩的工作原理及其用途。
高压电机轴磨损维修的详细流程
三相异步电动机安装步骤以及西玛电机的故障检查
西玛电机接线中最常见的几种错误
绿色发展可以帮助电机厂家解决利润问题
高效节能电机过热原因分析
需要更换高效节能的电机的必要性分析!
西安西玛电机频率和速度之间的数学关系
高压电机轴磨损维修的详细流程
三相异步电动机安装步骤以及西玛电机的故障检查
西玛电机接线中最常见的几种错误
绿色发展可以帮助电机厂家解决利润问题
高效节能电机过热原因分析
需要更换高效节能的电机的必要性分析!
西安西玛电机频率和速度之间的数学关系
西安西玛电机举办“迎国庆”员工趣味运动项目比
关于西安西玛电机的工作制,大家了解一下。
西安西玛电机工会庆祝3月8日的评选颁奖活动。
西安西玛电机向在抗击疫情前线的工作人员们致敬
西安西玛电机职工安全生产知识宣传教育工作全面
西安泰富西玛电机亮相第27届中国西部国际装备
西安泰富西玛电机将高效节能三相异步电动机作为
西安西玛电机始终坚持诚信销售的理念。
关于西安西玛电机的工作制,大家了解一下。
西安西玛电机工会庆祝3月8日的评选颁奖活动。
西安西玛电机向在抗击疫情前线的工作人员们致敬
西安西玛电机职工安全生产知识宣传教育工作全面
西安泰富西玛电机亮相第27届中国西部国际装备
西安泰富西玛电机将高效节能三相异步电动机作为
西安西玛电机始终坚持诚信销售的理念。
泰富西玛电机
配套电柜
电机配件
YKK系列高压三相异步电机西安泰富西玛YKK系列(H355-1000)高压三相异步电机可作驱动
Y2系列紧凑型高压异步电机西安泰富西玛?Y2系列(H355-560)6KV紧凑型高压异步电机可
YE3系列高效节能电机西安泰富西玛电机生产的YE3系列高效节能电机达到了国标二级能效标准,
Z4系列直流电机西安泰富西玛Z4系列直流电动机比Z2、Z3系列具有更大的优越性,它不
Z2系列小型直流电机西安泰富西玛Z2系列电机为一般工业用小型直流电机,其电动机适用于恒功
ZTP型铁路机车动车用直流辅助西安泰富西玛ZTP系列西玛电机应能满足铁路机车动车用直流辅助电机通用



西安西玛电机紧跟电机行业的发展趋势,了解电机市场动态,制定出西玛电机的发展规划,稳步前行。
随着国家节能减排的积极推行,新能源汽车产业快速增长及高效节能电机补贴政策的逐步落实,高效节能电机业将迎来爆发式的增长。
西玛电机售后维修业务有:轴料加工件、钢板切割、焊接件、高压机壳、冷却器、上下罩、高、低压交直流电机;国内、外电机的修理、维护和试验。
质量为本,用户至上”是我公司一贯宗旨?!俺闲?、贴心、倾心、西玛永远用心”的“三心”服务理念。
西安泰富西玛电机(西安西玛电机集团股份有限公司)是国内九大的电机供应商之一,产品包括各种高低压、交直流、高压同步电机等。
















